【導讀】目前有線通信技術始終是市場的主流,但是空間區域不能自由布線是最大瓶頸。而無線通信技術能很好的解決這一問題,能更好的解決基礎硬件搭建調試及減小后期維護的難度。本文采用同類產品中性價比較高的芯片NRF24L01,配合簡單外圍電路和降低芯片,實現對其控制,很好地解決了這一問題。
本文的控制部件選用AT89C51型單片機。由于這種芯片只有SPI通信接口,而目前常用的單片機都沒有這種接口,因此需要對該芯片的通信時序進行模擬,所以在控制器里編程時要嚴格按照芯片工作時序進行。
1 系統硬件組成
NRF24L01芯片是具有2.4GHz內嵌基帶通信協議引擎功能的收發芯片。通過SPI接口對芯片內部寄存器映射操作,可以使其在空中的傳輸速度最大達到2Mb/s。
該芯片主要特點包括GFSK調制技術:126RF頻道滿足多點通信需要1~2Mb/s空中數據傳輸速率內置硬件CRC檢錯和點對點通信地址控制:發送方電源可以通過編程輸出0dBm,-6dBm,-12dBm,-18dBm:芯片可以通過軟件設置地址,確保通過地址認證雙方才能通信:接收方采用集成通道過濾器,可編程的增益設置:主機接口采用4根SPI硬件接口線,最大8Mb/s傳輸速率,3個32字節的TX與RX的FIFO寄存器,5V容抗輸入。
該芯片引腳功能如圖1所示,引腳1為CE數字信號輸入,引腳2為CSN數字信號輸入,引腳3為SCK數字信號輸入,引腳4為MOSI數字信號輸入,引腳5為MISO數字信號輸出,引腳6為IRQ數字信號輸,引腳7,15,18為VDD電源,引腳8,14,17為VSS電源,引腳9為XC2模擬輸出,引腳10為XC1模擬輸入,引腳11為VDD_PA電源輸出,引腳12為ANT1射頻,引腳13為ANT2射頻,引腳16為IREF模擬輸入,引腳19為DVDD電源,引腳20為VSS電源。
在硬件搭建時特別要注意在SPI接口與51單片機的P0引腳相接時需要接10kΩ的上拉電阻,其余的接口不需要。VCC引腳接入電壓范圍為1.9~3.6V,不能在這個區間之外,超過3.6V將會燒毀模塊,推薦電壓3.3V。因為這樣可以直接和NRF24L01模塊的I/O口線連接。如果是其他系列的單片機,其電源是5V,單片機I/O口輸出電流如果超過10mA時需要串聯電阻分壓,否則容易燒毀模塊。例如AVR系列單片機電源是5V,需串接2kΩ的電阻。

圖1NRF2401芯片引腳功能圖
1.2 NRF24L01芯片構成的通信模塊電路設計
NRF24L01芯片通信模塊電路核心器件NRF24L01配合網絡晶振、解耦電容、偏極電阻一起工作構造穩定射頻通信模塊。該芯片是貼片結構,模塊占用空間少,如圖2所示。

圖2由NRF24L01芯片構成的通信模塊電路圖
1.3 電源電路
電源電路如圖3所示,B1是9V蓄電池或者鋰電池,能夠反復充電。C1,C2,C3,C4都是濾波電容,起到一次與二次濾波作用。D1,D2是穩壓二極管,使輸出端的電壓穩定在理想的水平電壓。芯片7805是三端穩壓集成電路芯片,具有正電壓輸出。其電路內部還有過流、過熱及調整管等保護電路,最終目的把9V電源轉變成穩定5V輸出,為后續設備供電。
1.4 系統通信電路設計
系統通信電路如圖4所示。本電路中應用單片機AT89C51作為控制芯片,對NRF24L01主通信模塊的接口時序模擬和對數據的發送與接收進行處理。

圖3電源電路圖

圖4系統通信電路圖
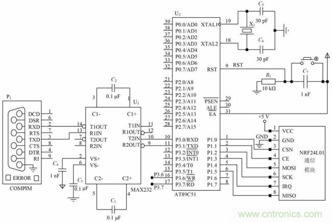
1.5 與PC機通訊電路設計
如果單片機通信電路與單片機通信電路通信,則兩個硬件電路和圖4相同,只是在軟件設計時需在每個通信端設定不同的通信地址,以辨認每個通信端口。若是單片機通信電路與PC機或者具有COM口的設備電路通信,則需要一個轉接電路,其硬件電路如圖5所示。

圖5SPI接口與MAX232通信硬件電路圖
在圖5所示的電路中,單片機左側是一塊MAX232芯片,其作用是將PC機中的232電平與單片機的TTL電平匹配。最左側是9芯母接頭,在使用時可接在計算機COM口上與計算機通信。單片機右側接一塊射頻通信模塊。由于此塊單片機同樣沒有SPI接口,所以需要用普通接口軟件模擬SPI接口,其編程要嚴格按SPI端口的通信邏輯時序。
2 單片機控制實現算法
通信芯片可以工作在四種模式下,即:配置模式、空閑模式、關機模式和收發模式。工作模式由PWR_UPregister、PRIM_RXregister和CE三個寄存器共同決定。在工作模式的收發模式中推薦使用EnhancedShockBurst收發模式,因為在這種工作模式下,系統的程序編制會更加簡單,并且穩定性也會更高。兩種算法流程圖如圖6所示。

圖6發射流程與接收流程
3 結語
(1)提出基于射頻的無線通信技術方案,并且按照該方案搭建硬件電路。
(2)設計單片機控制算法,在PC機中編好上位機軟件,執行機構能迅速執行預定結果,反應時間小于1ms。
(3)在執行機構遇到障礙時,能返回準確命令,使上位機捕捉到相應信息,直接反映雙向通信效果好。
(4)系統穩定可靠,數據傳輸丟失率很小,低于0.01%。
(5)芯片互換性好,可根據不同傳輸距離選擇不同芯片,軟件不需改動。
【推薦閱讀】