【導讀】本文提出了一種獨特但簡單的柵極脈沖驅動電路,為快速開關HPA提供了另一種方法,同時消除了與漏極開關有關的電路。實測切換時間小于200 ns,相對于1 s的目標還有一些裕量。其他特性包括:解決器件間差異的偏置編程能力,保護HPA免受柵極電壓增加影響的柵極箝位,以及用于優化脈沖上升時間的過沖補償。
能否在200 ns內開啟或關閉RF源?
在脈沖雷達應用中,從發射到接收操作的過渡期間需要快速開啟/關閉高功率放大器 (HPA)。典型的轉換時間目標可能小于1 s。傳統上,這是通過漏極控制來實現的。漏極控制需要在28 V至50 V的電壓下切換大電流。已知開關功率技術可以勝任這一任務,但會涉及額外的物理尺寸和電路問題。在現代相控陣天線開發中,雖然要求盡可能低的SWaP(尺寸重量和功耗),但希望消除與HPA漏極開關相關的復雜問題。
典型漏極脈沖配置
通過漏極控制開關HPA的典型配置如圖1所示。一個串聯FET開啟輸入HPA的高電壓。控制電路需要將邏輯電平脈沖轉換為更高電壓以使串聯FET導通。
此配置的難點包括:
- 大電流的切換要求從大容量電容到HPA漏極引腳的路徑是一條低電感路徑。
- 關閉時,漏極電容保有電荷,需要額外的放電路徑。這是通過額外的FET Q2來實現的,對控制電路的約束隨之增加:Q1和Q2絕不能同時使能。
- 很多情況下,串聯FET是N溝道器件。這要求控制電路產生一個高于HPA漏極電壓的電壓才能開啟。
控制電路的設計方法已是眾所周知且行之有效。然而,相控陣系統不斷期望集成封裝并降低SWaP,因此希望消除上述難點。實際上,人們的愿望是完全消除漏極控制電路。

圖1. 傳統HPA脈沖漏極配置。
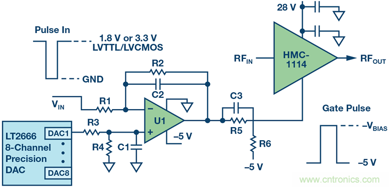
推薦柵極脈沖電路
柵極驅動電路的目標是將邏輯電平信號轉換成合適的GaN HPA柵極控制信號。需要一個負電壓來設置適當的偏置電流,以及一個更大的負電壓來關閉器件。因此,電路應接受正邏輯電平輸入并轉換為兩個負電壓之間的脈沖。電路還需要克服柵極電容影響,提供急速上升時間,過沖應極小或沒有。
對柵極偏置設置的擔憂是,偏置電壓的小幅增加可能導致HPA電流的顯著增加。這就增加了一個目標,即柵極控制電路應非常穩定,并有一個箝位器來防止受損。另一個問題是,設置所需漏極電流時,不同器件的最佳偏置電壓有差異。這種差異使得人們更希望有系統內可編程柵極偏置特性。

圖2. 推薦HPA柵極驅動電路。
圖2所示電路達成了所述的全部目標。運算放大器U1使用反相單負電源配置。利用一個精密DAC設置運算放大器基準電壓,以實現V+引腳上的增益。當邏輯輸入為高電平時,運算放大器箝位到負供電軌。當輸入為低電平時,運算放大器輸出接近一個小的負值,該值由電阻值和DAC設置決定。反相配置是故意選擇的,目的是當邏輯輸入為低電平或接地時開啟HPA,因為邏輯低電平的電壓差異小于邏輯高電平。采用軌到軌運算放大器,它具有較大壓擺率和足夠的輸出電流驅動能力,適合該應用。
元件值選擇如下:
- R1和R2設置運放增益。
- DAC設置連同R3和R4決定運算放大器V+引腳的基準電壓。C1和R3針對低通濾波器噪聲而選擇。
- R5和R6用于實現重要的箝位功能。這是因為運放的VCC引腳以地為基準,所以這是運放輸出的最大值。R5和R6為–5 V電源提供一個電阻分壓器。
- R5的不利影響是由于柵極電容,它會減慢脈沖響應。這要通過增加C3來補償,以實現陡峭的脈沖。
- C2的值較小,用以限制運放輸出脈沖上升沿的過沖。
實測數據
用于驗證電路的測試設置如圖3所示。對精密DAC、運算放大器和HPA使用評估板。一個脈沖發生器用于模擬1.8 V邏輯信號。信號發生器連續工作,利用一個輸入帶寬高于RF頻率的RF采樣示波器測量HPA對RF信號的開啟/關閉。

圖3. 測試設置。
測試所用的元器件值參見表1。

表1. 所用元器件值
實測開啟時間如圖4所示。時間標度為每格500 ns,RF信號的上升時間小于200 ns。對于測量從柵極脈沖開始到RF脈沖上升沿結束的時間的系統,可以看到開啟時間約為300 ns,這說明系統分配1s用于發射到接收轉換會有相當可觀的裕量。

圖4. 實測HPA開啟時間。

圖5. 實測HPA關閉時間。
實測關閉時間如圖5所示。時間標度同樣是每格500 ns,下降時間明顯快于上升時間,同樣遠小于200 ns,說明系統分配1 s用于發射到接收轉換會有相當可觀的裕量。
布局考慮
對一個代表性布局做了尺寸研究,如圖6所示。柵極脈沖電路的運算放大器部分放置在通向HPA輸入的RF路徑附近。精密DAC未顯示出來,假定其放置在控制部分中,為多個發射通道提供輸入。布局研究表明,可將該電路添加到實際的低成本PWB實現方案中,發射RF電路所需的額外空間極小。

圖6. 物理尺寸分配。
結語
本文提出了一種獨特的柵極脈沖電路,并進行了HPA快速開/關評估。
其特性包括:
- 轉換時間小于200 ns。
- 兼容任何邏輯輸入。
- 通過可編程偏置消除器件間差異。
- 提供箝位保護以設置最大柵極電壓。
- 上升時間/過沖補償。
- 尺寸支持高密度相控陣應用。
先進電子系統集成度不斷提高,要求縮小物理尺寸,因此可以想象,這種電路及其方法的其他變化,將開始在需要快速HPA轉換時間的相控陣應用中激增。
推薦閱讀: