【導讀】經典的四電阻差分放大器可以解決許多測量難題。但是,總有一些應用需要的靈活性比這些放大器所能提供的更高。由于在差分放大器中電阻匹配直接影響到增益誤差和共模抑制比(CMRR),所以將這些電阻集成到同一個裸片上可以實現高性能。但是,僅僅依靠內部電阻來設置增益,用戶就無法在制造商的設計選擇之外靈活選擇自己想要的增益。
Q:我們能夠增加固定增益差分放大器的增益嗎?
A:可以,通過增加更多的電阻。
經典的四電阻差分放大器可以解決許多測量難題。但是,總有一些應用需要的靈活性比這些放大器所能提供的更高。由于在差分放大器中電阻匹配直接影響到增益誤差和共模抑制比(CMRR),所以將這些電阻集成到同一個裸片上可以實現高性能。但是,僅僅依靠內部電阻來設置增益,用戶就無法在制造商的設計選擇之外靈活選擇自己想要的增益。

在信號鏈中使用固定增益放大器時,如果需要更多的增益,通常會添加另一個放大器級來實現所需的總增益。雖然這種方法非常有效,但它會增加整體的復雜性、所需的板空間、噪音、成本等。或者,您可以選擇另一種方法,在不增加第二個增益級的情況下增加系統增益。通過在固定增益放大器上增加幾個電阻來提供正反饋路徑,此舉可以減少整體的負反饋,從而獲得更高的整體增益。
在典型的負反饋配置中,反饋給反相輸入的輸出部分被稱為β,電路的增益為1/β。β=1時,整個輸出信號被返回給反相輸入端,由此實現單位增益緩沖器。β值較低時,實現的增益較高。

圖1. 負反饋:非反相運算放大器配置
為了提高增益,必須降低β。這可以通過增加R2/R1的比率來實現。但是,目前對于固定增益的的差動放大器還沒有辦法通過降低其傳輸到反相端的反饋來提高整體增益,因為這需要用到更大的反饋電阻或更小的輸入電阻。通過將輸出反饋提供給差動放大器的基準引腳,也就是同相輸入端,即可提高之前的固 定增益放大器的增益。此放大電路產生的復合反饋系數β(βc)是β-和β+之間的差值,該系數同時也將決定放大電路的增益和帶寬。請注意,β+提供的是正反饋,因此必須確保凈反饋仍然為負(β– > β+)。

圖2. 組合β
為了使用β+調節電路增益,第一步是計算β-(初始電路的β)。注意,衰減項G_attn是差動放大器的正輸入信號與運算放大器的同相端輸入之比。

一旦選定所需的增益,就可以確定所需的β以及β+。因為固定增益放大器的增益是已知的,所以能夠很簡單地計算出β。

β+的量正好是輸出信號返回至運算放大器的同相輸入端的一部分。記住,反饋會通過β+路徑至基準引腳,反饋信號會通過兩個電阻的分壓器(見圖3),這兩個分壓電阻阻值必須要通過計算才能實現正確的β+。
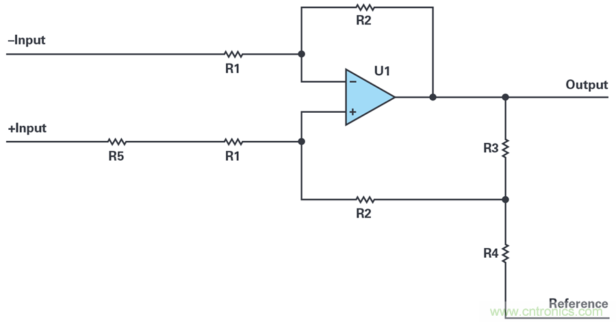
差動放大器的一個關鍵特性是CMRR。正極和負極網絡上的電阻比是否匹配對于能否實現出色的CMRR至關重要,因此電阻(R5)也應該與正輸入電阻串聯,以平衡基準引腳上增加的電阻。

圖3. 四電阻固定增益差分放大器:增益調整
為了確定電阻R3和R4,可以使用戴維南等效電路來簡化分析。

圖4. 戴維南等效電路
如上所述,為了保持良好的CMRR,必須添加R5。R5的值由R3和R4的并聯組合決定,其系數與輸入衰減器中的電阻相同。因為R1/R2 = (1/G_attn) - 1這個比率,R1和R5分別可以用比率已定的R2和R3||R4代替。


圖5. 經過簡化的正輸入電阻網絡
如前所述, VOUT至簡化電路的A_in+的增益必須等于1/β+。

由于R3和R4拉載運算放大器,所以應該注意不要選擇太小的值。一旦選定了所需的負載(R3 + R4),就可以利用公式4輕松計 算得出R3和R4的值。R3和R4確定之后,可以利用R3||R4 × β計算得出R5。
因為這種技術依賴于電阻比,所以具備很高的靈活性。在噪聲和功耗之間需要進行權衡,電阻值應該足夠大,可以防止運算放大器過載。此外,由于R5與R3和R4成比例,所以應該使用相同類型的電阻,以在各種溫度下保持良好性能。如果R3、R4和R5一起漂移,那么這個比例將保持不變,并且由于這些電阻,即使有熱漂移,也會保持在最低水平。最后,由于運算放大器的增益更高,所以獲得的帶寬會按照增益帶寬積的βc/β比例降低。
AD8479可以實現這種技術的典型應用,它是一個單位增益 的高共模差動放大器。AD8479能夠在±600 V共模下測量差分信號,并且具有固定的單位增益。有些應用需要的增益大于單位增益,因此很適合采用之前提到的技術。電流檢測應用需要的 另一個常見增益是10,因此可以讓G1 = 10。
由于AD8479會衰減共模信號,獲得更高的差分信號,然后獲得單位系統增益,所以在實施增益調整時需要考慮這一點。

由于正基準的增益為60,正輸入的增益為1,所以電路的噪聲增益為61。此外,由于總體增益是一致的,所以G_attn必須是1/噪聲增益:

R3和R4可以使用公式6計算得出:

AD8479的增益為指定增益,負載為2 kΩ,所以R3 + R4的目標增益如下。

為了使用標準電阻值構建這個電阻,所以需要使用并聯電阻來實現比使用單個標準電阻可以實現的更準確的比例。


圖6. G = 10時,AD8479的最終原理圖
從圖7中可以看出,獲得的輸出(藍色)是預期輸入(黃色)的10倍。

圖7. G = 10時,AD8479的輸入和輸出示波器捕捉圖
增益為10的電路的標稱帶寬應為典型的AD8479帶寬的1/10,這是因為βc/β– = 1/10,而實際測量的–3 dB頻率為48 kHz。

圖8. G = 10: –3 dB頻率時的AD8479
圖9顯示獲得的脈沖響應和特征與預期一致。壓擺率與標準的AD8479壓擺率一致,但因為帶寬減小,所需的建立時間更長。

圖9. G = 10: 脈沖響應時的AD8479
由于新電路為運算放大器的兩個輸入端提供反饋,所以運算放大器的共模會受到兩個輸入端的信號影響。這會改變電路的輸入電壓范圍,因此應該對其進行評估,以免過度驅動運算放大器。此外,由于噪聲增益增加,所以輸出端的噪聲電壓頻譜和峰峰值也會按相同比例增加;但是,當信號被引用到輸入時, 產生的影響可以忽略不計。最后,增益增加的電路的CMRR與前一個電路的CMRR相等(假設R3、R4和R5電阻不會額外增加共模誤差)。由于R5是用于在增加R3和R4的情況下來修正CMRR的,所以可以對CMRR進行調優,使其比原來使用R5的電路更好。但是,這需要進行微調,且在此過程中,您需要適當權衡和調整CMRR的增益誤差。
實施這個過程時,您可以利用固定增益差分放大器的優點,而不受其固定特性限制。由于該技術是通用的,它還可以和許多其他差分放大器一起使用。在不增加任何有源組件的情況下,簡單增加三個電阻可以在信號鏈中實現更高的靈活性,這有助于降低成本、復雜性和電路板大小。

圖7. G = 10時,AD8479的輸入和輸出示波器捕捉圖
增益為10的電路的標稱帶寬應為典型的AD8479帶寬的1/10,這是因為βc/β– = 1/10,而實際測量的–3 dB頻率為48 kHz。

圖8. G = 10: –3 dB頻率時的AD8479
圖9顯示獲得的脈沖響應和特征與預期一致。壓擺率與標準的AD8479壓擺率一致,但因為帶寬減小,所需的建立時間更長。

圖9. G = 10: 脈沖響應時的AD8479
由于新電路為運算放大器的兩個輸入端提供反饋,所以運算放大器的共模會受到兩個輸入端的信號影響。這會改變電路的輸入電壓范圍,因此應該對其進行評估,以免過度驅動運算放大器。此外,由于噪聲增益增加,所以輸出端的噪聲電壓頻譜和峰峰值也會按相同比例增加;但是,當信號被引用到輸入時, 產生的影響可以忽略不計。最后,增益增加的電路的CMRR與前一個電路的CMRR相等(假設R3、R4和R5電阻不會額外增加共模誤差)。由于R5是用于在增加R3和R4的情況下來修正CMRR的,所以可以對CMRR進行調優,使其比原來使用R5的電路更好。但是,這需要進行微調,且在此過程中,您需要適當權衡和調整CMRR的增益誤差。
AD8479
● 共模電壓范圍:±600 V
● 軌到軌輸出
● 固定增益:1
● 寬電源范圍:±2.5 V至±18 V
● 電源電流:550 μA(典型值)
● 出色的交流規格
● 共模抑制比(CMRR):90 dB(最小值)
● 310 kHz帶寬
● 高精度直流性能
● 增益非線性度:5 ppm(最大值)
● 失調電壓漂移:10 µV/°C(最大值)
● 增益漂移:5 ppm/°C(最大值)
實施這個過程時,您可以利用固定增益差分放大器的優點,而不受其固定特性限制。由于該技術是通用的,它還可以和許多其他差分放大器一起使用。在不增加任何有源組件的情況下,簡單增加三個電阻可以在信號鏈中實現更高的靈活性,這有助于降低成本、復雜性和電路板大小。
推薦閱讀: