電流傳感器的中心議題:
- 閉環電流傳感器結構原理與特征
電流傳感器的解決方案:
- 基于ASIC技術的閉環電流傳感器
- LTS-25-NP基本結構
- LTSR系列傳感器應用廣泛
摘要:本文主要介紹基于ASIC技術的閉環電流傳感器結構原理與特征并對應用優勢及舉例作分析說明。
1、流行的電流隔離測量的最佳解決方案
由于其創新的設計理念,基于ASIC技術的閉環電流傳感器,已經成為業界流行的電流隔離測量的最佳解決方案,并被廣泛的應用于驅動器、高頻大電流測量、UPS及電力電子行業上,使其成為是與電力電子行業發展與用戶的需求同步的產品。值此以LEM公司的新型LTSR產品系列為例對其基于ASIC技術的閉環電流傳感器特征與應用作分析介紹。
LTSR產品系列它允許額定測量電流值為6A的LTSR-6-NP,額定電流值為15A的LTSR-15-NP,額定電流值為25A的LTSR-25-NP.其LTSR中的“R”代表參考端。
LTS25-NP系列產品的目標是找到電力電子的領域中隔離測量的良好方法。由于數字器件、處理器在電力電子領域中的廣泛應用,而這些器件都是單端5V供電的,LTSR也是單端5V供電。所以有了LTSR傳感器使我們可以更加貼近電力電子領域。
LTSR可以為周圍的元件提供參考電壓,也可以接受外電壓作為參考電壓,如:DSP,ADC以及許多非常普遍的電子元件。
2、基本結構
LTS-25-NP是一種體積非常小的電流傳感器,為PCB安裝而設計。從新技術到新工藝角度上來說,這種產品的研發和生產都是一種挑戰。
LTSR系列閉環電流傳感器是以閉環原理傳感器的基本結構與原理(見圖1所示)發展起來的,所以分析LTSR是閉環原理的傳感器只需以圖1為基本結構與原理作說明就可以了。

LTSR是閉環原理的傳感器,它基于原、副邊磁場補償原理。這就是說,由于被測量電流產生的磁通,被傳感器中的HALL(霍爾)元件感應到,HALL元件產生一個感應電流,供給副邊線圈,然后在磁芯中產生相反的磁通來補償原邊產生磁通。原邊電流的數值比例縮小等于線圈中的電流實際值.其閉環原理傳感器的基本結構與原理,見圖1所示。
產品的設計思想,是依據下述標準,即體積小,5V單端供電傳感器。產品體積小,相應的磁材也比較小,這就導致傳感器原邊和副邊之間的距離比較短。這種結構有利于傳感器擁有抗高dv/dt的能力。這種抑制高頻特性dv/dt(見圖2所示曲線2-紫線)非常適合電機控制應用。因為在電機控制中,在電機三相負載中由于橋臂的不停的導通關斷會產生高dv/dt(見圖2所示所示曲線1-黃線)。

原邊和副邊之間有高度絕緣能力的電氣元件都可以耦合并隔離電勢。在高頻率開關的應用環境,會有頻率非常高且斜率非常大的尖峰出現(如:原邊電壓的高速變化),這就導致了不必要的電磁干擾(EMI)。這種情況,在副邊輸出元件上,會產生一個干擾信號。如,一個10kV/μs的電壓變化通過一個10pF的耦合電容產生的寄生電流為100mA。對于LTSR系列,這就是額定輸出電流的8倍。
[page]
注意圖中產生峰值為IPN l5.3%干擾(紫線2),這主要由于測試裝置的布線造成的。注意圖中小于800ns的擾動延遲,這是可以被濾掉的(重復建立時間為1.6μs),這對于數字控制電路進行PWM調制是非常有利的。在這種情況下,一個小型的濾波器就可以達到目的,而且不會削減動態特性。
由此可知,LTS25-NP是應用ASIC(專用集成電路)技術的第一種電流傳感器。其獨一無二的特征就是把磁場感應元件整合在一層,這樣就可以部分的補償HALL晶格由于溫度漂移產生的變化。其基于ASIC技術的閉環電流傳感器LTSR系列(現以LTSR25-NP為例)工作原理圖如圖3(a)所示與外形為圖3(b)所示。


3.1具有更好的溫度漂移特性
新一代ASIC技術基于硅晶技術,這是與第一代ASIC技術的產品LTS不同的。這種技術擁有比第一代更小的溫度漂移特性。這對于內置在傳感器中的控制環來說是非常重要的因素:漂移越小,控制環的穩定性就越好。
LTS25-NP的溫度范圍是-40℃到+85℃,在這個范圍內,我們能接受的最大的偏置漂移是100ppm/℃。在同樣的溫度范圍,LTSR的結構可以使偏置漂移降低為37.5ppm/℃。


新的ASIC技術同樣可以改善驅動線圈電流能力,避免輸出電壓跌落到短路檢測區域。如:原邊電流是10倍的額定電流,如果參考電壓是2.5V的話,那么輸出電壓不會下降2V而低于0.5V,從而不會觸發短路檢測。
3.2、LTSR的參考電壓管腳(REF)的兩個基本的工作模式
LTSR是閉環傳感器,但是它有附加的參考電壓管腳(REF)。此管腳為ASIC的參考電壓通道,一般設置為2.5V(見圖3(a)所示)。參考管腳有兩個基本的工作模式。
第一種模式是參考輸出模式(可參閱圖6所示),在這種模式下,原邊電流為0A,輸出電壓與參考管腳電壓一致(在輸出和參考點之間有最大±25mV的偏差)。原邊電流改變也不會導致參考電壓改變。

[page]
第二種模式是參考輸入模式(可參閱圖7所示),在這種模式下,可以對此參考管腳提供一個外部電壓作為參考并驅動內部參考。這個電壓允許值在1.9V到2.7V之間。源極可以吸收或提供源電流(source)最小1mA。這對于確保外部參考電壓驅動內部參考電壓是非常必要的。

當溫度為25℃,參考電流Iref等于0的時候,內部的參考電壓等于0。參考電壓與以下條件有關:
*參考輸出模式,參考電流Iref,是由連接的負載決定的。為了保證參考點在2.5V±25mV,我們應用最小的負載220kΩ保證Iref,最小。在參考輸出模式,源電流應高于-125pA。低于此值將發生電壓跌落。
*由外部參考(參考輸入模式)提供電流的情況。在參考輸入模式,外部參考源可以吸收或者提供與電壓相匹配的電流,Vref=f(Iref)。(當外部參考大于內部參考電壓Vref=2.5V±25mV或者外部參考電壓小于內部參考電壓Vref)。
|
用外部參考模式,傳感器與其他裝置(如:ADC)的互聯是非常簡單的(可參閱圖7所示)?;贏SIC結構,這種特點會對測量范圍產生一些影響。如:如果參考點為1.9V,反向電流的測量范圍將會比提供的少0.6V,正向電流也是這種情況。
3.3、寬廣的頻帶范圍
優秀的耦合特性同樣放映到帶寬特性上,見圖4曲線。LTSR的頻帶變化大概為0.3dB。由于器件和Hall件的影響,輸入電流頻率在100kHz的時候,響應頻帶變化會達到峰值,直到現在,從100kHz到200kHz,LEM閉環電流傳感器的頻帶變化為3dB。
3.4、精確的快速響應特性
快速功率開關裝置:IGBT需要非??焖俚倪^流檢測作為IGBT的保護。對于30A/μs速度的變化電流,實際上副邊輸出不會對原邊電流變化有任何延遲。由于原邊電路和補償線圈之間優秀的耦合特性,LTSR才會有如此良好的表現。
3.5、優秀的精度及溫度穩定性
25℃時LTSR系列電流傳感器總體精度高于±0.2%。總體精度這個數值包括傳感器所有的公差指標,如:線性誤差,線圈誤差以及長期穩定性。
|
大多數輸出為電流值的閉環電流傳感器相比,LTSR系列電流傳感器是測量電阻內置的電流傳感器,選擇內置電阻的精度為±0.5%以及溫度漂移為最大50ppm/K。

內部參考點,有著穩定的溫度性,在(-10℃+85℃)最大50ppm/K在(-40℃…-10℃)最大100ppm/K。在大多數情況下,因為有外部輔助電路或者數字處理器控制(參考輸出模式),參考點的絕對精度對于LTSR系列并不是非常重要。(類似的狀況還有在于零點漂移指標)
雖然由用戶的外部電路提供外部參考電壓,電壓漂移是由處理器控制的。在這種情況下(參考輸入模式),你能給傳感器提供在1.9到2.7V之間的參考電壓,但是,這個電壓低于處理器的控制能力,所以電壓偏置叫以被校正,同時熱量偏移也叫以被校正。
3.51 于LTSR25-NP在-10℃…+85℃的時候輸出電壓Vout具有最大的溫度穩定性
*相對于Vref,Vout在工作溫度范圍內的偏置為37.5ppm/K。
*相對于0V,Vout在工作溫度下范圍的偏置為87.5ppm/K,在-40℃到—10℃的時候,為137.5ppm/K。
87.5ppm/k是由于Vout對于Vref的偏差(37.5ppm/k)加上Vref對于0V的偏差50ppm/K得到的。
137.5ppm/K是因為Vref偏置等于在工作溫度范圍為37.5ppm/K,在-40℃到-10℃時候,偏置為100ppm/K。
[page]
正如前面解釋的如果控制器可以補償Vref的漂移、偏置以及Vout在Ip=0時候的初始偏置,這樣你可以提高精度。在工作溫度范圍內,提高公差,可以得到更高的精度。
4、主要參數特性
表1給出了LTSR電流傳感器的一些主要參數特性。

電源電壓是0到5V,這與許多控制器的供電電壓都是相匹配的。與以前的閉環電流傳感器對比,LTSR的測量范圍可以是額定電流的3倍。這種改善是非常有利于應用的。LTSR25-NP系列在額定電流25A的時候最大的測量范圍是80A。參考點為2.5V(參考輸入模式和參考輸出模式),精確為電源軌道電壓的一半。放大器變化的范圍為:0.625V/IPN,這樣在+80A時輸出電壓為4.5V,在-80A的時候輸出電壓為0.5V(在參考輸出模式)。電流傳感器符合電力電子領域的相關標準。
5、關于基于ASIC技術的閉環電流傳感器LTSR系列的應用
5.1應用范圍寬、器件選擇靈活
LTSR系列傳感器,比上一代產品擁有更多的附加拓撲功能,在許多應用環境,傳感器的輸出可以很方便的接入ADC,并將數據輸入DSP或其他微控制器。
LTSR設計為直接接入5V供電的DSP,但目前部分DSP或ADC供電電源為3.3V。這些3.3V供電芯片的內部參考點電壓為1.8V。在這種情況下,可以將DSP的內部參考電壓作為傳感器的參考電壓。這種連接方法,可以消除參考溫度漂移。
另外,可以用傳感器內部的參考給ADC提供參考電壓。即采用三個傳感器將參考管腳連接在一起這種應用也是可能的,參考點電壓將取三個內部參考電壓的平均值,見圖5的LTSR的參考輸出模式,表示傳感器在參考輸出模式,將一個參考信號提供給ADC作為參考信號的典型應用示意圖。
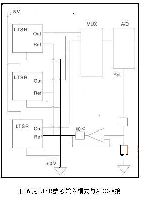
參考輸入模式也可以應用此連接方法,見圖6為LTSR參考輸入模式與ADC連接示意圖。論證了應用傳感器的參考輸入功能可以被用來同步幾個傳感器,使參考電壓在同一水平。由于LTSR內部末端的負載47nF電容,可能會造成外接放大器的電壓上升,所以如圖6中放大器的輸出電阻10Ω是為了避免放大器輸出電壓的上升。
圖7為參考輸出和一個微分放大器相連,消除輸出偏置。另外,電路零點參考輸出對于雙端供電處理器的連接也是非常方便的。
5.2、原邊電路的多種輸入方式
LTSR具有三個U型原邊連接端子和一個附加原邊穿線圓孔,這給設計人員在電流測量上提供了靈活多樣的多種選擇范圍。圖8示意LTSR內部的連接方式。第一種模式:平行連接。這樣可以測量最大的原邊電流。
第二種模式:串聯連接。雖然減少測量范圍,但在小電流測量時提高了三倍精度。
第三種模式:微電流測量。測量不同的電流I1-I2。I2為孔內流過的電流,與印制電路板有一定的間隙距離。電流方向不同,感應測量值也不同。
5.3、應用舉例
5.31.變頻器中電氣隔離電流測量
LTSR典型的應用在經典變頻器上。由于優秀的精度和dv/dt抑制力,LTSR也非常適合伺服驅動器的應用。圖9為在變頻器中電氣隔離電流測量的應用示意圖。其優勢在于:優秀的線性度,非常適合電機電流測量;又具短路保護的快速響應性,能保護短路和漏電;而良好的溫度穩定性,適合精確的可重復的測量以及對于長距離電機接線的強電容電流變化的抑制能力。

5.32 用電流監控和調節的應用:
*在任何電流需要精確監控調節的地方,LTSR系列都可以應用到。這種應用適合交流測量系統。
*非線性負載產生包含方波的非正弦波。
LTSR系列傳感器同樣適合這種應用,因為它可以測量交流或者直流。LTSR同樣可被用在DC裝置,如電源、電池裝置或者直流驅動。
5.33值此需要說明的是LTSR系列與分流器相比有以下優點:在高頻大電流測量中具有更低的能量損失;電氣隔離;更好的EMI特性。
6、結束語
6.1概括所有的LTSR的優點
單端供電0/5V,可測量正、負電流;可以輸出內部參考電壓Ref輸出模式;外部電源紿傳感器提供參考電壓,即Ref輸入模式;高溫度穩定性和微小溫度漂移;多量程測量概念可以使同樣的傳感器設備覆蓋更多的原邊電流測量跨度;低能量損耗;閉環原理提供優秀的線性度,寬廣的頻率范圍,快速的響應時間,寬廣的測量范圍和測量高頻電流脈沖的能力;易于安裝;有競爭力的成本控制解決方案。
6.2在應用方面
LTSR可以應用于小功率電子系統,如:變頻器、工業加熱驅動裝置,通風裝置和空調裝置等許多工業應用;如:伺服,小型UPS,電源和放大器能量管理系統,叉車和常用的電流監控。


