
從輔助外科手術到在制造工廠里舉起數千公斤的重物,機器人為我們生活的許多方面提供了便利。機器人對現代化世界的影響顯而易見,但您是否思考過機器人系統如何實現如此精確、快速和強大的運動?如果答案是通過電機,那么恭喜您回答正確! 詳細閱讀>>
干貨
電機驅動設計方面的技術進步為我們開啟了許多大門。例如在運動控制系統中,更高精度、效率和控制能力給用戶體驗性和安全性、資源優化以及環境友好性等方面帶來了諸多好處。無刷電機技術的引入則是業界朝著全面提升效率邁出的重要一步。
?
電機驅動設計方面的技術進步為我們開啟了許多大門。例如在運動控制系統中,更高精度、效率和控制能力給用戶體驗性和安全性、資源優化以及環境友好性等方面帶來了諸多好處。無刷電機技術的引入則是業界朝著全面提升效率邁出的重要一步。詳細閱讀>>
?
機器人系統隨工業4.0的發展不斷完善,其電源、傳感和控制標準也不斷提高,機器人的廣泛應用要求它體積更小,靈活性更高,能效更高。但由于Si器件的性能受限,電機驅動器存在損耗高、 發熱大、體積大等問題,已成為限制中高端電機應用的關鍵因素。因此,高效、高功率密度的電機驅動器已成為迫切需求。詳細閱讀>>
?
精密信號鏈對電機驅動器來說非常重要,因為電機驅動器利用精密信號鏈來測量電機速度、位置、扭矩和電源軌,從而確保高性能系統的穩健性和效率。這一點適用于所有電機系統,例如伺服驅動器、交流逆變器和速度受控型 BLDC 驅動器,因為這些器件都具有電壓/電流感測、SIN/COS AFE 和模擬 I/O 等常見子系統。外部電壓基準... 詳細閱讀>>
?
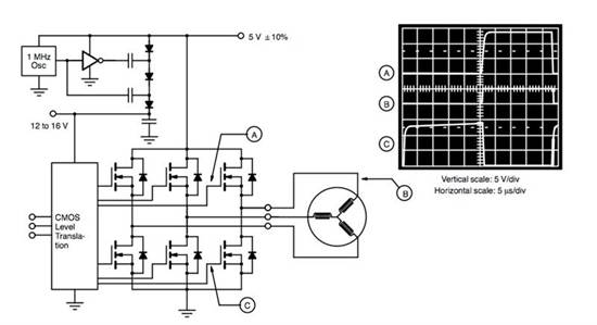
本應用筆記介紹了采用表面貼裝封裝的 n 通道雙 MOSFET 的低壓電機驅動設計。它描述了使用不同電壓應用的設計,以及自適應 MOSFET 柵極驅動器,這是驅動雙 n 溝道半橋的...詳細閱讀>>
?
隨著現代機床向高速、高精度方向發展,對機床主軸的技術要求越來越高。電主軸作為高速機床的重要組成部件之一,因其轉速高、體積小和優異的動態性能等特性,可有效提高機床的動態平衡,避免了振動和噪聲。主軸電機放置在機床的主軸單元內,直接驅動負載。因此,簡化了傳統的機械驅動結構,實現了"零驅動"。由于電主軸的廣泛應用,推動著電機主軸系統向高精度、高速、低能耗、高效率、高可靠性的方向不斷發展...詳細閱讀>>
經典案例
?
汽車懸架系統可以調節車身的高度、阻尼、剛度,有效提升駕駛的舒適性與操控性,從而讓駕駛者在不同的車速、路面條件下有不同的駕駛感受,提高車輛的平順性和品質感。詳細閱讀>>
?
近年來,隨著人們健康意識的增強,亞健康、中國老年、商旅辦公等人群的擴大,以及智能化按摩椅產品的不斷更新升級,具有良好按摩保健功效的按摩椅正逐步獲得廣大消費者的認可。詳細閱讀>>
大多數逆變器設計中的微控制器 (MCU) 用于監控故障情況并做出反應,以及控制電機驅動。使用標準軟件包實現電機驅動控制非常簡單且相對快速。故障診斷和保護更具挑戰性,并且從一種應用到另一種應用可能存在很大差異,因為它們依賴于各種不同的傳感器來監測相電流、系統過熱狀況、振動和其他系統參數。對 MCU 進行編程以解釋傳感器輸入并以獲得國際標準所需的適當方式實施保護是很復雜的。
關于我們 | About Us | 聯系我們 | Contact Us | 隱私政策 | 版權申明 | 投稿信箱 | 網站地圖
Copyright ? m.shuilikongzhifa.com? All Rights Reserved
電子元件技術網 版權所有 ??粵ICP備10202284號??粵ICP證B2-20090022
未經版權所有人明確的書面許可,不得以任何方式或媒體翻印或轉載本網站的部分或全部內容。