【導讀】所有行業的制造商都在不斷推動提升高端性能,同時試圖在此類創新與成熟可靠的解決方案之間達成平衡。設計人員面臨著平衡設計復雜性、可靠性和成本這一困難任務。以一個電子保護子系統為例,受其特性限制,無法進行創新。這些系統保護敏感且成本高昂的下游電子器件(FPGA、ASIC和微處理器),這些器件都要求保證零故障。
問題:
有什么有源電路保護方案可以取代TVS二極管和保險絲?
答案:
可以試試浪涌抑制器。
摘要
所有行業的制造商都在不斷推動提升高端性能,同時試圖在此類創新與成熟可靠的解決方案之間達成平衡。設計人員面臨著平衡設計復雜性、可靠性和成本這一困難任務。以一個電子保護子系統為例,受其特性限制,無法進行創新。這些系統保護敏感且成本高昂的下游電子器件(FPGA、ASIC和微處理器),這些器件都要求保證零故障。
許多傳統的可靠保護解決方案(例如二極管、保險絲和TVS器件)能夠保持待保護狀態,但它們通常低效、體積龐大且需要維護。為了解決這些不足,有源智能保護IC應運而生,它們能夠達到傳統方法的保護要求,而且從有些方面來看,它們更加可靠。但是器件種類繁多,所以,設計人員面臨的最困難的問題就是選擇合適的解決方案。
為了幫助設計人員縮小選擇范圍,本文對傳統保護方法和ADI保護產品系列進行比較,以展示這些產品和建議應用的特性。
簡介
隨著所有行業中電子器件的使用數量不斷增加,且成本高昂的FPGA和處理器的處理功能不斷擴展,人們越來越要求對這些在嚴苛環境中運行的器件提供保護。此外,還需要它們體積小巧、可靠性高,能夠快速響應過壓和過流浪涌事件。本文探討了許多應用面臨的挑戰,以及為何需要保護,比較了傳統的保護方法和更新的可替代解決方案,后者具有更高的精度、可靠性和設計靈活性。
為何考慮使用電壓和電流保護器件?
汽車、工業、通信和航空電子系統需經受一系列電源浪涌,例如圖1所示的這些。在這些市場中,許多行業規范都對瞬態事件進行了定義。例如, ISO 7637-2 和 ISO 16750-2 規范定義了汽車瞬態,詳細概述了預期瞬變,以及確保持續驗證這些瞬變的測試步驟。
浪涌事件的類型和所含能量會因電子器件的使用區域而異;電路可能遭受過壓、過流、反向電壓和反向電流等情況。最后,如果要直接經受圖1所示的這些瞬變條件,許多電路都無法維持,更不用說獨立運行,所以設計人員必須考慮所有輸入情況,并采取可以保護電路不受電壓和電流浪涌影響的機制。

圖1.一些更嚴格的ISO 16750-2測試的概述。
設計挑戰
有很多不同原因會引發電子系統中出現瞬變電壓和電流,但有些電子環境比其他環境更容易發生瞬變事件。眾所周知,汽車、工業和通信環境中的應用會經受有潛在危害的事件,對下游電子器件造成嚴重損壞,但浪涌事件并不只是在這些環境下發生。其他可能需要浪涌保護電路的情況包括:需要高壓或大電流電源的應用、采用熱插拔電源連接的應用,或者包含電機或可能受到雷擊感應瞬變影響的系統。高壓事件持續的時間不等,從幾微秒到幾百毫秒都有可能,所以必須采用靈活可靠的保護機制來確保下游成本高昂的電子器件的使用壽命。
例如,當交流發電機(為電池充電)與電池暫時斷開時,會發生汽車負載突降。發生這種斷開后,交流發電機提供的滿負荷充電電流會傳輸至電源軌,使電源軌電壓在數百毫秒內攀升到極高(>100 V)水平。
有多種原因可能導致通信應用發生浪涌,從熱插拔通信卡到可能受到雷電影響的戶外裝置,涉及多種應用。大型設施中使用的長電纜也可能產生感應電壓尖峰。
最終,設計人員必須充分了解器件的使用環境,并滿足既有的規范要求,這有助于他們組合采用最佳的保護機制,可靠且不會產生干擾,但允許下游電子器件能夠在安全電壓范圍內運行,且保證最低中斷。
傳統保護電路
在需要考慮如此多種不同類型的電子問題的情況下,電子工程師應如何保護敏感的下游電子器件?
傳統保護方法基于多個器件提供保護,而不是基于一個,例如,采用瞬變電壓抑制器(TVS)提供過壓保護,采用線路保險絲提供過流保護,采用串聯二極管提供反向電池/電源保護,以及混合使用電容和電感來過濾更低的電能尖峰。雖然離散配置可以滿足既定的規范要求(保護下游電路),但它實施起來很麻煩,需要進行多次選擇來確定合適的濾波規格。

圖2.傳統保護器件。
我們來仔細了解一下這些器件,弄清楚這種實施方法的優點和缺點。
TVS——瞬變電壓抑制器
這是一種相對簡單的器件,可以保護下游電路不受電源上的高壓尖峰影響。它們可以分為幾種不同的類型,具有廣泛的特性(表1按響應時間從最短到最長的順序排列)。
表1.不同瞬變電壓抑制器件的響應時間

雖然它們的結構和特性各異,但使用方式是相似的:當電壓超過器件閾值時,分流多余的電流。TVS可以在極短時間內將輸出電壓固定在額定水平。例如,TVS二極管的響應時間可以低至皮秒,GDT的響應時間則可能有幾微秒,但可以處理更大的浪涌。
圖3顯示了用于保護下游電路的TVS二極管的簡單配置。在正常工作條件下,TVS具有高阻抗,輸入電壓會直接傳輸至輸出。當輸入端出現過壓時,TVS開始導電,并將多余的電能分流到接地(GND),從而箝位下游負載電壓。電源軌電壓升高到典型操作值以上,但被箝位到保證下游電路可以安全運行的值。
雖然TVS器件在抑制極高電壓偏移方面很有效,但在遭受持續過壓時,也不能避免損壞,因此需要定期監測或更換。另一個擔心是TVS可能短路,導致輸入電源斷開。此外,根據涉及的電能大小,它們的尺寸可能需要很大才能滿足裕量要求,導致解決方案的尺寸相應增大。即使TVS的尺寸正確,下游電路也必須要能夠處理箝位電壓,對下游的電壓額定要求也隨之增高。

圖3.用傳統的TVS解決方案保護電壓浪涌。
線路保險絲
過流保護可以使用常見的線路保險絲實現,其熔斷額定值高于標稱值,例如,比最大額定電流高20%(百分比取決于電路類型以及預期的典型操作負載)。當然,保險絲最大的問題是一旦燒斷就必須更換。保險絲設計相當簡單,但維護相對復雜,特別是在難以接觸的位置,所以后期還是會耗費時間和成本。使用備用保險絲(例如可復位保險絲)可以減少維護要求,它會在高于標稱電流的電流流經器件時,利用正溫度系數打開電路(電流增高之后會令溫度增高,導致電阻急劇升高)。
除維護問題外,保險絲最大的問題之一是其反應時間,根據所選保險絲的類型,反應時間可能有很大差異。我們可以使用快速熔斷保險絲,但熔斷時間(打開電路的時間)仍然可能需要幾百微秒到毫秒,所以電路設計人員必須考慮這些時間段內釋放的電能大小,保證下游電子器件不被損壞。
串聯二極管
在某些環境中,電路可能斷開,然后重新連接——例如,在電池供電環境中。在這種情況下,電源重新連接時不能保證極性是正確的。我們可以通過在電路的正極供電線上增加一個串聯二極管來實現極性保護。雖然這種簡單的增加可以有效防止反向極性,但串聯二極管的壓降會導致相應的功率損耗。在電流相對較低的電路中,這種取舍很小,但對于許多現代化的高電流電軌,則需要采用另一種解決方案。圖4是對圖3的更新,顯示利用TVS和增加的串聯二極管來防止出現反向極性連接。

圖4.增加串聯二極管可以防止反向極性連接,但在大電流系統中,二極管的壓降可能是一大問題。
使用電感和電容的濾波器
目前所討論的無源解決方案都是通過限制幅度,但通常只能捕捉更大的幅度,會放過更小的一些尖峰。這些較小的瞬變仍然會對下游電路造成損壞,因此需要使用額外的無源濾波器來清潔線路。這可以通過使用離散電感和電容來實現,通過調整它們的尺寸,讓它們衰減超出頻率范圍的電壓。在設計之前,需要對濾波器設計進行測試和測量,確定它們的尺寸和頻率,然后才能正確確定濾波器的尺寸。這種方法的缺點在于,需要考慮物料成本和面積要求(元器件的板面積和成本要達到多少才能達到濾波水平),以及是否需要過度設計(確定元器件的公差,以能夠在隨時間和溫度變化時提供補償)。
使用浪涌抑制器提供有源保護
要克服所述的無源保護解決方案面臨的挑戰和存在的缺點,方法之一是轉為使用浪涌抑制器IC。浪涌抑制器采用易于使用的控制器IC和串聯N通道MOSFET,因此無需使用繁雜的分流電路(TVS器件、保險絲、電感和電容)。因為只需確定少數幾個元器件的尺寸和讓它們通過質量認證,所以浪涌抑制器控制器可以極大地簡化系統設計。
浪涌抑制器持續監測輸入電壓和電流。在額定工作條件下,控制器驅動N通道MOSFET通路器件的柵極完全開啟,提供一條從輸入到輸出的低阻抗路徑。在發生過壓或浪涌時(閾值由輸出端的反饋網絡給出),IC調節N通道MOSFET的柵極,將MOSFET的輸出電壓箝位到電阻分壓器設定的電平。
圖5顯示了浪涌抑制器配置的簡化示意圖,以及標稱12 V電源軌上出現100 V輸入浪涌時的結果。在浪涌發生期間,浪涌抑制器電路的輸出被箝位到27 V。一些浪涌抑制器也使用串聯感應電阻(圖5中的斷路器)來監測過流情況,并調整N通道MOSFET的柵極,以限制輸出負載端的電流。


圖5.浪涌抑制器配置的詳細示意圖。
根據對過壓事件的響應,可以將浪涌抑制器分為四大類:
● 線性浪涌抑制器
● 柵極箝位
● 開關浪涌抑制器
● 輸出斷開保護控制器
浪涌抑制器應基于應用進行選擇,所以,我們來比較一下它們的操作和優點。
浪涌抑制器類型:線性
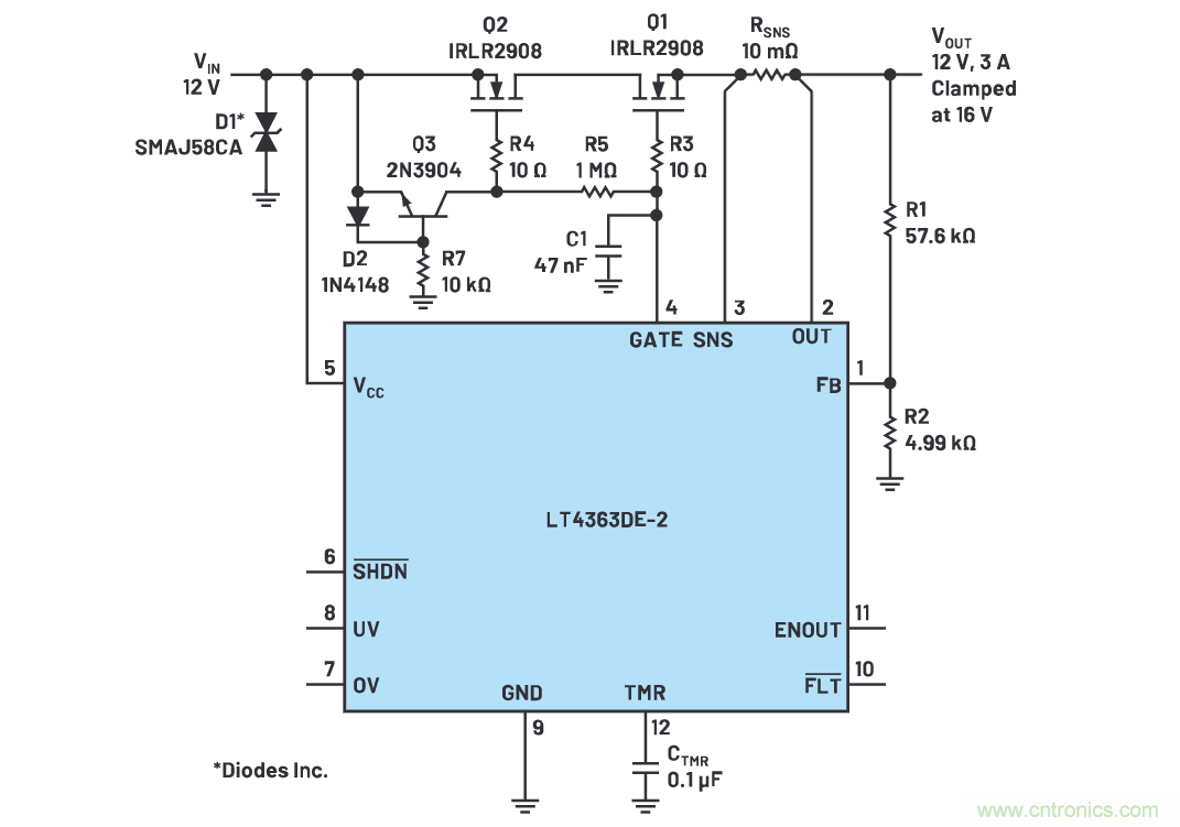
線性浪涌抑制器驅動串聯MOSFET的方式和線性穩壓器比較類似,是將輸出電壓限制在預先設置的安全值,并耗散MOSFET中的多余能量。為了保護MOSFET,該器件通過采用電容故障定時器來限制在高耗散區花費的時間。

圖6.LT4363線性浪涌抑制器。
浪涌抑制器類型:柵極箝位
柵極箝位浪涌抑制器利用內部或外部箝位(例如,31.5 V或50 V內部箝位,或可調的外部箝位)將柵極引腳的電壓限制到這個電壓值,然后,由MOSFET的閾值電壓決定輸出電壓限值。例如,在使用內部31.5 V柵極箝位,且MOSFET閾值電壓為5 V時,輸出電壓限制為26.5 V。或者,外部柵極箝位允許更廣泛的電壓選擇范圍。柵極箝位浪涌抑制器的示例如圖7所示。

圖7.LTC4380柵極箝位浪涌抑制器。
浪涌抑制器類型:開關
對于更高功率的應用,開關浪涌抑制器是一個很好的選擇。與線性和柵極箝位浪涌抑制器一樣,開關浪涌抑制器在正常操作條件下可以充分增強調整FET,以在輸入和輸出之間提供一個低阻路徑(最小化功率損耗)。開關浪涌抑制器和線性或柵極箝位浪涌抑制器之間的主要區別出現在檢測到浪涌事件時。在浪涌事件中,開關浪涌抑制器是通過開關外部MOSFET(比較類似于開關DC-DC轉換器),將輸出調節到箝位電壓。

圖8.LTC7860開關浪涌抑制器。
保護控制器:輸出斷開
保護控制器不是真正的浪涌抑制器,但它確實能停止浪涌。和浪涌抑制器一樣,保護控制器監測過壓和過流條件,但它不會箝位或調節輸出,而是通過立即斷開輸出來保護下游電子器件。這種簡單保護電路的布局緊湊,非常適合由電池供電的便攜式應用。 LTC4368 保護控制器的簡化示意圖,以及它對過壓事件的響應如圖9所示。保護控制器有許多版本。


圖9.LTC4368保護控制器。
保護控制器會監測輸入電壓,確保電壓保持在OV/UV引腳的電阻分壓器所配置的電壓范圍內,當輸入電壓超過這個范圍時,利用背對背MOSFET斷開輸出,如圖9所示。背對背MOSFET也可用于防止反向輸入。輸出端的感應電阻通過持續監測正向電流來實現過流保護,但不需要基于計時器的穿越操作。
浪涌抑制器特性
為了給您的應用選擇最合適的浪涌抑制器,您需要知道有哪些可用特性,以及它們可以幫助解決哪些挑戰。您可以在參數表中查找這些器件。
斷開與穿越
一些應用要求在檢測到浪涌事件時斷開輸出和輸入的連接。在這種情況下,需要斷開過壓連接。如果您需要輸出在浪涌事件發生時保持正常運行,從而最大限度減少下游電子設備的停機時間,則需要浪涌抑制器在發生浪涌時進行穿越。在這種情況下,使用線性或開關浪涌抑制器可以實現這一功能(前提是,對于拓撲和所選的FET,功率電平是合理的)。
故障定時器
實施穿越時,需要對MOSFET提供保護,以防它受到持續浪涌影響。為了確保留在FET的安全工作區(SOA)內,可以使用定時器。定時器本質上是一個接地電容。發生過壓時,內部電流源開始為這個外部電容充電。電容達到一定的閾值電壓時,數字故障引腳拉低,表明受時間延長的過壓影響,調整管將很快關閉。如果定時器引腳電壓繼續上升到二級閾值,柵極引腳將拉低,以關閉MOSFET。
定時器電壓的變化率隨通過MOSFET的電壓而變化,也就是說,電壓越大,時間越短,電壓越小,時間越長。這個有用特性使器件能夠平穩度過短時過壓事件,允許下游元器件保持運行,同時保護MOSFET不因持續時間更長的過壓事件出現損壞。有些器件具有重試功能,使器件能在冷卻之后再次打開輸出。
過流保護
許多浪涌抑制器都能夠監測電流和保護器件不受過流事件影響。這是通過監測串聯感應電阻上的壓降并作出適當響應來實現的。也可以通過監測和控制浪涌電流來保護MOSFET。其響應可能與過壓情況類似,這是因為如果電路能夠接受這種功率電平,那么它要么通過閂鎖斷開,要么通過穿越事件來斷開。
反向輸入保護
浪涌抑制器具有廣泛的操作能力(能夠承受某些器件上高達60 V的地下電壓),所以能夠提供反向輸入保護。圖10顯示了提供反向電流保護的背對背MOSFET配置。在正常運行期間,Q2和Q1由柵極引腳開啟,Q3不產生任何影響。但是,出現反向電壓連接時,Q3開啟,將Q2的柵極下拉至負輸入并隔離Q1,以保護輸出。
也可以通過可靠的器件引腳保護來實現反向輸出電壓保護,根據所選的器件,可以承受高達20 V的地下電壓。

圖10.LT4363反向輸入保護電路。
對于需要寬輸入電壓范圍的應用,可以使用浮動拓撲浪涌抑制器。發生浪涌事件時,浪涌抑制器IC會監控整個浪涌電壓,由內部晶體管技術限制IC的電壓范圍。使用浮動浪涌抑制器(例如 LTC4366)時,IC浮動剛好低于輸出電壓,為其提供更廣泛的工作電壓范圍。返回線中包含一個電阻(VSS),允許IC隨電源電壓浮動。如此,由外部元器件和MOSFET的電壓功能設置輸入電壓限值。圖11顯示的應用電路可以在保護后端負載時,使用極高的直流電源正常運行。

圖11.LTC4366高壓浮動拓撲。
為我的應用選擇正確的器件
由于浪涌抑制器本身采用可靠設計,所以能從很多方面簡化保護電路的設計。數據手冊已顯示許多可能的應用,在確定元器件尺寸時,能夠提供很大幫助。最困難的部分可能是選擇最合適的器件。您可以遵循以下幾個步驟來縮小范圍:
● 訪問ADI的保護器件系列 參數表。
● 選擇輸入電壓范圍。
● 選擇通道數量。
● 篩選功能,縮小可行選項的范圍。
和所有產品選型一樣,在查找正確的器件前,您需要了解您的系統要求,這點非常重要。一些重要的考慮因素包括:預期的電源電壓和下游電子器件的電壓容限(在決定箝位電壓時非常重要),以及對設計而言非常重要的一些特性。
以下是一些經過篩選的參數表示例,供大家參考。大家可以訪問網站,在網站上進一步更改這些參數表,可以添加一些其他參數。
● 高壓浪涌抑制器器件請參見 這里。
● 具有過壓斷開功能的保護控制器請參見 這里。
結論
無論采用哪種類型的浪涌抑制器,基于IC的有源浪涌抑制器設計都無需使用繁雜的TVS二極管,或使用大尺寸電感和電容來進行濾波。所以,解決方案的整體面積更小,體積也更小巧。相比TVS,其輸出電壓箝位精度可能高出1%至2%。如此可以防止過度設計,且能夠選擇公差更嚴格的下游器件。
ADI提供的系統保護器件系列讓設計人員能夠采用可靠、靈活且小巧的解決方案為下游器件提供保護,尤其是對于工業、汽車、航空航天和通信設計中可能面臨嚴苛的過壓和過流事件的器件。
參考資料
"AN-9768:瞬變抑制器件和原則." Littelfuse,1998年1月。
"Fuseology." 乘用車解決方案目錄,Littelfuse,2014年。
Kalb, Jim。 "總熔斷時間" 技術簡報,OptiFuse,2010年1月。
Megaw, David。 "為汽車電子系統提供供電和保護,無開關噪聲,效率高達99.9%." 模擬對話,第54卷第1期,2020年2月。
Wu, Bin and Zhongming Ye。 "用于惡劣汽車環境的全面電源系統設計占用空間極小,可節約電池電量且具有低EMI特性." 模擬對話,第53卷第3期,2019年8月。
免責聲明:本文為轉載文章,轉載此文目的在于傳遞更多信息,版權歸原作者所有。本文所用視頻、圖片、文字如涉及作品版權問題,請聯系小編進行處理。
推薦閱讀:





