【導讀】電容補償柜的作用是提高負載功率因數,降低無功功率,提高供電設備的效率;電容柜是否正常工作可通過功率因數表的讀數判斷,功率因數表讀數如果在0.9左右可視為工作正常。以下還將進一步介紹低壓電容補償柜的基本構造及功能。
一般來說,低壓電容補償柜由柜殼、母線、斷路器、隔離開關,熱繼電器、接觸器、避雷器、電容器、電抗器、一、二次導線、端子排、功率因數自動補償控制裝置、盤面儀表等組成。
電容器柜功能及其結構

電容器補償柜的作用
電容補償柜的作用是提高負載功率因數,降低無功功率,提高供電設備的效率;電容柜是否正常工作可通過功率因數表的讀數判斷,功率因數表讀數如果在0.9左右可視為工作正常。
電容器柜一次電路原理介

一次電路的工作原理過程
合上刀熔開關和斷路器,無功功率補償控制器根據進線柜電壓和電流的相位差輸出控制信號,控制交流接觸器閉合和斷開,從而控制電容器投入和退出。
元器件的作用分析
HH15-160A刀熔開關
HH15(QSA)系列開關熔斷器組集負荷開關和熔斷器短路保護功能于一體,結構緊湊,使用安全,主要用于具有高短路電流的配電和電動機電路中作為電源開關和應急開關,并作電纜的短路保護,由于開關手柄為旋轉操作,特別適用于抽屜式開關柜中安裝使用。
本開關系列全封閉結構,由接觸系統、操作機構、手柄三部分組成。
由動、靜觸頭及滅弧裝置組成的接觸系統均組裝在由新型耐弧工程塑料制成的封閉殼體內,達到零飛弧;其工作性能的穩定、可靠,并在壽命期內無需用戶維護或更換零件。
配用的高分斷能力刀型觸頭熔斷體串接在觸頭之間,當開關處于斷開位置時,其外露導電部件均不帶電,確保維修和更換熔斷體的安全性(打開柜門開關處于斷開狀態)。
開關具有彈簧儲能的操作機構,手柄操作方式系旋轉操作,開關分、合動作靠彈簧力完成,均與人力無關,保證其動作的可靠與穩定。
HY1.5低壓避雷器
HY1.5W-0.28/1.3,HY1.5W-0.5/2.6低壓氧化鋅避雷器 ,產品用于保護交流電力系統電氣設備的絕緣免遭大氣過電壓和操作過電壓的損害,適合于配電箱內,電源頻率50Hz或60Hz。安裝時,先將避雷器固定在托架或橫擔上,下部接地端子直接接地,然后將上引線固定在接線端子上。HY氧化鋅避雷器也叫做硅橡膠氧化鋅避雷器,也叫有機金屬氧化物避雷器。
DZ47-63/D32塑殼斷路器
DZ47系列小型斷路器主要適用于交流50/60Hz,額定工作電壓為240V/415V及以下,額定電流至60A的電路中,該斷路器主要用于現代建筑物的電氣線路及設備的控制、過載、短路保護,亦適用于線路的不頻繁操作及隔離。
DZ47系列小型斷路器由塑料外殼、操作機構、觸頭滅弧系統、脫扣機構等組成。脫扣機構由雙金屬片過載反時限脫扣機構和短路瞬動電磁機構二部分組成。觸頭滅弧系統則采用特殊的導弧角和過道滅室,并具有顯著的限流特性。
BSMJ-0.4-10-3電容器
“BSMJ”自愈式低電壓并聯電容器是采用先進的金屬化膜作為材料,引進國外先進技術、設備,嚴格按照國家標準及IEC標準組織生產的;主要用于低壓電網提高功率因數,減少線路損耗,改善電壓質量,是國家推薦使用的新型節電產品。
體積小、重量輕:由于采用金屬化聚丙烯膜材料作為介質,體積、重量僅為老產品的1/4和1/5。
損耗低:實際值低于0.1%,所以電容器自身的能耗低,發熱少、溫升低、工作壽命長、節能效果佳。
優良的自愈性能: 過電壓所造成的介質局部擊穿能迅速自愈,恢復正常工作,使可靠性大為提高。
安全性:內裝自放電電阻和保險裝置。內裝放電電阻能使電容器上所 帶的電能自動泄放掉;當電容器發生故障時,保險裝置能及時斷開電源,避免故障的進一步發展,確保使用安全。
不漏油:本電容器采用先進的半固體浸漬劑,滴熔點高于70℃,在使用過程中不漏油,避免了環境污染,電容器也不會因失油而失效。
CJ19-32 交流接觸器觸頭
應用CJ19-32/11.20.02系列切換電容器接觸器,主要用于交流50Hz或60Hz,額定工作電壓至380V的電力線路中,供低壓無功功率補償設備投入或切除低壓并聯電容器之用。接觸器帶有抑制涌流裝置,能有效地減小合閘涌流對電容的沖擊和抑制開斷時的過電壓。
使用環境條件:安裝地點的海拔不超過2000m。
安裝條件:安裝面與垂直面傾斜度不大于±5°。
周圍空氣溫度:-5°C~+40°C,24小時的平均值不超過+35°C。
大氣相對濕度:在周圍空氣溫度為+40°C時不超過50%,在較低的溫度下可允許有較高相對濕度。
接觸器為直動式雙斷點結構,觸頭系統分上下兩層布置,上層有三對限流觸頭與限流電阻構成抑制涌流裝置。當合閘時它先接通經數毫秒之后工作觸頭接通,限流觸頭中永久磁塊在彈簧反作用下釋放,斷開限流電阻,使電容器正常工作。CJ19-25~43的接觸器有兩對輔助觸頭,CJ19-63~95的接觸器有三對輔助觸頭。接觸器接線端有絕緣罩覆蓋,安全可靠。線圈接線端帶有標出電壓數據,可防止接錯。
CJ19-25~43接觸器可用螺釘安裝,也可借底部的滑塊扣裝在35mm標準卡軌上。面罩上有一個可拆卸的長方形白色小牌,用戶可用它打印項目代號等。

JR36-20熱繼電器
JR36系列雙金屬片式熱過載繼電器(以下簡稱熱繼電器)適用于交流 50Hz,主電路額定工作電壓至380V,額定工作電流0.25~160A的電路中,對交流電動機的過載和斷相進行保護。
熱繼電器具有整定電流可以調節、溫度補償、斷相保護、自動復位和手動復位任意選擇、能進行線路動作靈活性檢查、可手動斷開常閉觸頭(常開觸頭不閉合)等功能,其外形尺寸和安裝尺寸與JR16B系列完全一致,是新一代較為理想的產品。
電流互感器BH-0.66 150/5
BH-0.66電流互感器為塑料外殼,全封閉,戶內型產品.適用于額定頻率50HZ或60HZ、額定電壓為0.66KV及以下的電力系統中作電能計量、電流測量和繼電保護用。
BH-0.66電流互感器為母線型塑料殼式絕緣,產品下部有安裝板供固定安裝用,中間窗孔供一次母線通過用。

一次電路的的安裝圖

一次電路連接母線安裝及其安裝實物圖
母排的作用是匯流和電流分配。水平母排規格一般根據進線柜額定電流進行選擇,但要滿足動穩定和熱穩定要求;垂直母排額定電流一般為1000A。
常用的母線結構型式有矩形、槽形和管形等。
① 單片矩形導體具有集膚效應系數小、散熱條件好、安裝簡單、連接方便等優點,一般工作電流小于或等于2000A。
② 多片矩形導體集膚效應系數比單片導體的大,所以附加損耗增大。因此載流量不是隨導體片數增加而成倍增加的,尤其是每相超過三片以上時,導體的集膚效應系數顯著增大。在工程手冊中多片矩形導體適用于工作電流≤4000A的回路。4000A以上時,應選用有利于交流電流分布的槽形或管形的成形導體。
③ 槽形或管形的成形導體的集膚效應系數小,電流分布比較均勻,散熱條件好,機械強度高,但造價較高,安裝也不方便。
母線的截面積選擇原則
A 分支母線的截面積原則上可按斷路器額定電流的大小來選取。
B 在僅有一路進線情況下,主母線(水平母線)截面可與進線柜分支母線截面相等或稍大些。
C 若進線回路有兩條,情況稍為復雜一些。此時通常將兩回進線柜安排在主母線的左右兩端,這樣電流的流向分布更為合理,主母線的截面就可以不按兩進路電流之和來選取。這時,主母線截面應在較大進路電流至兩路電流之和的電流范圍內考慮,具體取多大要看進出柜布置情況,分析電流流向分布后決定。
開關柜中母線規格的選擇要考慮以下條件
A 按導體長期發熱允許載流量選擇截面;
B 熱穩定性的校驗;
C 動穩定性的校驗; D 導體共振的校驗
銅、鋁排母線長期允許的電流值
1)“*”號為低壓元件特殊用材,一般不推薦。
2)表中是空氣溫度為35℃時的長期允許電流值。
3)當母線平放時,寬度≤60mm電流降低5%,寬度>60mm則降低8%。
4)低壓抽屜式開關設備長期允許電流值應按表1中電流的0.8倍配置。
中性導體(N)的選材
一相導線的截面積>10mm2,則等于相導線截面積的一半,其截面積最小為10 mm2。一相導線的截面積≤10 mm2,中性線截面積等于相導線。
保護導體(PE)的截面積不應小于下表給出值

開關設備的柜體應設置接地母線,一般選取4×40TMY銅母線和6×60TMY銅母排 。
母線制作工藝流程
(1)銅、鋁排母線(簡稱扁形母線)制作工藝流程
選材→模擬→落料→劃剝→沖孔(鉆孔)→搪錫(鍍錫)→彎制→沖孔(鉆孔)→壓平(花)→安裝→涂漆→檢查
注:采用鍍錫母排的,搪錫工序取消。
(2)銅芯絕緣圓母排(簡稱電纜母線)制作工藝流程
選材→模擬→落料→剝頭→冷沖(冷壓)接頭→安裝→整理→檢查
(3)熱縮套管絕緣母線(簡稱絕緣母線)的工藝流程
成型母線→(套絕緣管→加熱→固化成型)→安裝→檢查
銅、鋁排母線制作工藝要求
(1)母線除必要的彎頭及斜度外,不允許有彎曲和歪扭現象,要求母線寬面彎曲度每米不大于2mm,窄面每米不大于3mm。
(2)母線表面不得有明顯的錘痕、銼痕、劃痕。
(3)母線與電器元件搭接,母線應按電器元件接線端子孔徑和孔數要求。
(4)母線與電器元件接線端根部應有不小于5mm的空出位置。
(5)母線搭接長度應大于等于母線寬度或接線端子寬度,并應保證母線與接線端子的接觸面不小于母線橫截面積的1.5倍。
(6)與電器元件搭接的母排,應避免銳角彎折,制作彎曲角度一般不小于90度,見下圖。

(7)母線開始彎曲處,距母線搭接位置不應小于30mm,距最近絕緣子的母線支持夾板邊緣不應小于50mm,但不應大于250mm,見下圖。

(8)母線寬度大和長度短都不能曲立彎,進出線母排寬度差比較大時,可在不影響搭接面積的前提下,允許有過度母排,偏向母線的一側或改變母線的連接。見下圖

(9)麻花彎母線扭轉90度時其扭轉部分的長度不應小于母排寬度的2.5倍,見下圖
(10)母排不宜直角彎曲,彎曲半徑不得小于下表規定R值,母排彎曲后不得有裂紋和嚴重的起皺現象,皺紋高度不得大于1mm.
(11)母線搭接面應搪錫處理,搪錫的長度要大于搭接長度20mm,對大部分無法搪錫的搭接面允許用導電膏處理。
(12)母線的漆色及相序排列應按下表規定(柜的正視方向)
(13)母線的搭接面不得沾漆,漆色應均勻,涂漆的界面應平直,不得有明顯彎曲不直現象,同一件的同一側面各相母線端的涂漆界限應無明顯不整齊現象,界限距接觸端面不得超過20mm。
銅芯電纜母線的制作要求
(1)電纜在與電器元件連接時,必須采用銅接頭連接。
(2)銅接頭切不可與鋁芯線壓接。
(3)絕緣線剝去絕緣層的長度應比銅接頭的捶套長出3mm為宜。
(4)絕緣線剝去絕緣層時,不允許線芯斷裂及使線芯損傷。
(5)將導線插入銅接頭插套后,在沖床上用模子沖接,或用冷壓鉗壓接。然后用力拉導線,導線不應從銅接頭拉出或有松動現象。
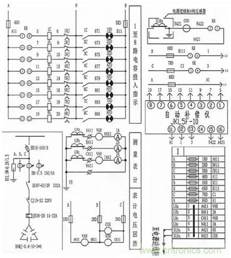
二次回路原理圖分析及安裝

二次原理圖
二次電路工作原理的過程
手動工作時,轉換開關KK從kk21-22開始每轉過一個位置多接通一個LED燈,表示1—8個電容器依次進入使用狀態;自動接通時,轉換開關KK如在kk1-2位置停下,那么停下的位置,其余均接通。(如下圖)


二次電路元器件布置圖

二次電路安裝接線圖
二次電路的安裝工藝
使用工具 剝線鉗、剪刀、羅絲批、壓接鉗,適用套筒扳手、尖口鉗、彎線鉗、搭燈、活絡扳手、電工刀。
根據圖紙,安裝二次系統的繼電器、儀表、信號燈、端子排等電器元件及其附件。
按布置圖粘貼元件標號,標號一般粘貼在該元件正中上部的金屬構架上,個別情況元件上方不能粘 貼標號時,可就近選擇適當位置粘貼。
根據圖紙確定配線途徑。按配線途徑量線,正確落料(一般放長300~500mm),且兩端做好記號或套上線號,即按配線途徑 進行敷設。
導線的敷設應做到橫平豎直,層次美觀清晰,用扎帶捆扎或用繞帶繞扎。 可將二次線敷設在專為配線用的塑料行線槽內,此時只需將導線整理清楚而毋需捆扎

安裝步驟
安裝接線按照先左后右、從上到下、由里到外、先難后易的接線原則進行接線。先接線無功功率表、電流表、電壓表;然后接線自動補償儀、萬能轉換開關;完成以后進行捆扎線保持橫平豎直轉角為90°。端子排接線要留出一段線,每只端子上接線螺釘最多接二根導線,對于端子間的連線可采用(圖五)的方法。然后接線電流互感器、交流接觸器、熱繼電器。

5、絕緣電阻測試、介電強度試驗
5.1、以500伏絕緣搖表測試法測試絕緣電阻
(1)被測前先拆下所有連線待測、并放電。
(2)搖測時被測物體應在良好的絕緣上。
(3)將測試線可靠觸及電容器電極上。
(4)分別測電容器三個接線端子對外殼阻值。
(5)經搖表發電機連續一定時間對電容器充電并讀取數據后應將迅速將測試線離開被測試物切斷電路,以避免被充過電的電容器的剩存電荷通過搖表內電路放電漏掉和打壞指示表針,燒毀搖表內二極管等內部元件。
5.2工頻及沖擊耐壓
試驗時,必須將斷路器(負荷開關或接觸器)、隔離開關閉合,將高壓熔斷器短接,所有可移開部件均處于工作位置。但是,當斷路器(負荷開關或接觸器)、隔離開關在斷開狀態或可移開部件處于移開、試驗或接地位置能引起更為不利的電場條件時,則必須在該條件下再做一次,即合閘、分閘、拉開時,均應按以上條件進行試驗。
沖擊耐壓試驗時,被試品不得帶有過電壓保護元件,電流互感器的二次側應短路并接地,低電流比的電流互感器允許將一次側短接。
輔助回路和控制回路應能經受2500v工頻耐壓試驗,并按以下要求進行:
將輔助回路連接在一起,試驗電壓加在它和接地骨架之間。
將正常使用中與其他部分絕緣的每一部分回路作為一極,其他部
若各次試驗皆無擊穿,認為通過。
保護電路有效性

絕緣電阻及交流耐壓
