【導讀】從本文開始,我們會介紹幾種使用H橋電路來驅動有刷直流電機的方法。在該有刷直流電機驅動的驅動器電路示例中,可以通過線性控制高邊Pch MOSFET來更改OUT引腳的H電壓,從而控制施加到電機的電壓。OUT引腳的H電壓由施加到Vref引腳的直流電壓控制,理論上的電壓與施加到Vref的電壓相同。這就可以控制電機的轉速/轉矩。
從本文開始,我們會介紹幾種使用H橋電路來驅動有刷直流電機的方法。
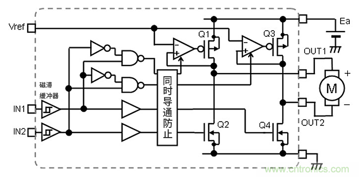
H橋電路的有刷直流電機驅動:
高邊電壓線性控制
在該有刷直流電機驅動的驅動器電路示例中,可以通過線性控制高邊Pch MOSFET來更改OUT引腳的H電壓,從而控制施加到電機的電壓。OUT引腳的H電壓由施加到Vref引腳的直流電壓控制,理論上的電壓與施加到Vref的電壓相同。這就可以控制電機的轉速/轉矩。

在該示例中,當高邊MOSFET(Q1,Q3)通過H橋切換控制邏輯導通時,運算放大器會給高邊MOSFET的柵極偏壓,使MOSFET導通,并且MOSFET的漏極電壓被反饋至運算放大器的同相輸入。根據運算放大器反饋電路的原理,該電路執行反饋控制,以使反相輸入和同相輸入具有相同的電壓。在該示例中,施加到Vref引腳的電壓=運算放大器的反相引腳電壓等于運算放大器同相引腳=MOSFET的漏極電壓=OUT引腳的H電壓。由于該反饋電路的增益為+1,因此Vref和OUT的電壓比也為1:1。
可能對于反饋到該同相引腳的電路感覺有點不協調,但是由于Pch MOSFET為活動狀態的L,因此會反饋運算放大器輸出的反向電壓。這與使用PNP晶體管作為升壓器的反饋電路的思路相同。
有刷直流電機驅動的H橋控制電路的工作與“輸出狀態的切換”中所述的工作相同。
關鍵要點:
?有刷直流電機驅動時,可以線性控制H橋電路高邊電壓的電路結構。
?有刷直流電機驅動時,通過控制OUT引腳的H電壓,可以線性控制電機轉速/轉矩。
免責聲明:本文為轉載文章,轉載此文目的在于傳遞更多信息,版權歸原作者所有。本文所用視頻、圖片、文字如涉及作品版權問題,請電話或者郵箱聯系小編進行侵刪。