【導讀】振蕩器有多種形式。本次實驗活動將研究Hartley配置,該配置使用帶抽頭的電感分壓器來提供反饋路徑。
目標
振蕩器有多種形式。本次實驗活動將研究Hartley配置,該配置使用帶抽頭的電感分壓器來提供反饋路徑。
背景知識
Hartley振蕩器特別擅長在30 kHz至30 MHz的RF范圍內產生失真相當低的正弦波信號。Hartley配置的標志性特點是其使用帶抽頭的電感分壓器(圖1中的L1和L2)。振蕩頻率可以像任何并聯諧振電路一樣,使用公式1來計算:

其中,L = L1 + L2
圖1為典型的Hartley振蕩器。決定頻率的并聯諧振調諧電路由L1、L2和C1組成,用作共基極放大器Q1的集電極負載阻抗。這使得放大器僅在諧振頻率下具有高增益。Hartley振蕩器的這種配置使用了共基極放大器。Q1的基極通過電阻分壓器R1和R2偏置到適當的直流電平,但通過C3直接連到交流地。在共基極模式下,集電極處的輸出電壓波形與發射極處的輸入信號同相。這確保了從L1和L2之間節點的輸出信號的一部分,通過耦合電容C2從調諧集電極負載反饋到發射極,從而提供所需的正反饋。

圖1.基礎的Hartley振蕩器
C2還與發射極電阻R3共同作用產生一個低頻時間常數,從而提供與Q1發射極處的反饋信號幅度成比例的平均直流電壓電平。這樣就能自動控制放大器的增益,提供振蕩器所需的1倍閉環增益。因為發射極節點用作共基極放大器的輸入,所以發射極電阻R3未去耦。基極通過C3連接到交流地,在振蕩器頻率下其電抗非常低。
實驗前仿真
構建圖1所示Hartley振蕩器的仿真原理圖。計算偏置電阻R1和R2的值,確保當發射極電阻R3設置為1 kΩ時,NPN晶體管Q1中的集電極電流約為1 mA。假設電路由10 V電源供電。確保R1和R2之和(總電阻大于10 kΩ)在合理范圍內達到最高值,從而盡可能降低電阻分壓器中的靜態電流。注意,C3在Q1的基極處提供一個交流地。將基極去耦電容C3和輸出交流耦合電容C4設置為0.1 μF。計算C1的值,確保當L1設置為1 μH、L2設置為10 μH時,諧振頻率接近750 kHz。執行瞬態仿真。保存這些結果,將它們與實際電路的測量結果進行比較并將比較結果隨附在實驗報告中。
材料
?ADALM2000主動學習模塊
?無焊試驗板和跳線套件
?一個2N3904 NPN晶體管
?一個1 μH電感
?一個10 μH電感
?一個100 μH電感
?一個1 nF電容(C1可選值如下所列)
?兩個0.1 μF電容(標記為104)
?兩個0.01 μF電容(標記為103)
?一個1 kΩ電阻
?所需的其他電阻、電容和電感
說明
使用無焊試驗板構建圖2所示的Hartley振蕩器。從器件套件中選擇偏置電阻R1和R2的標準值,使得發射極電阻R3設置為1 kΩ時,NPN晶體管Q1中的集電極電流約為1 mA。根據所選擇的L1、L2和C1值,振蕩器的頻率可以在大約500 kHz到2 MHz的范圍內變化。從L1 = 10 μH且L2 = 100 μH開始。此振蕩器電路可產生超過10 V p-p的正弦波輸出,其頻率近似于由所選C1值設定的頻率。試驗過C1的各種值后,將L1改為1 μH,將L2改為10 μH。

圖2.Hartley振蕩器
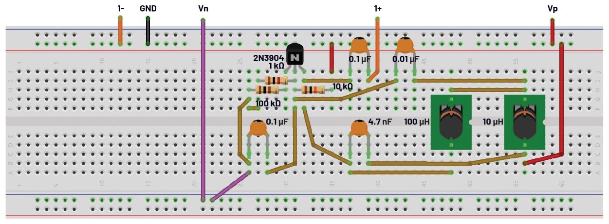
硬件設置
綠色區域表示連接ADALM2000模塊AWG、示波器通道和電源的位置。確保在反復檢查接線之后,再打開電源。參見圖3所示的試驗板電路。
程序步驟
完成Hartley振蕩器的構建之后,檢查電路是否正確振蕩,先打開+5 V和-5 V兩個電源,并將其中一個示波器通道連接到輸出端。R3的值可能相當關鍵,選擇不當可能會導致電路產生較大且失真的波形,或者產生間歇性低輸出,甚至完全沒有輸出。為了找到更合適的R3值,可以用1 kΩ電位計代替它進行試驗,以尋找波形更優、幅度更可靠的電阻值。圖4為使用R1 = 10 kΩ、R2 = 1 kΩ、R3 = 100 Ω、C1 = 4.7 nF時的波形示例。

圖3.Hartley振蕩器試驗板電路
問題
Hartley振蕩器的主要功能是什么?
2. 哪些實際應用正在使用Hartley振蕩器?

圖4.Hartley振蕩器圖
(來源:ADI公司,作者:Antoniu Miclaus,系統應用工程師)
免責聲明:本文為轉載文章,轉載此文目的在于傳遞更多信息,版權歸原作者所有。本文所用視頻、圖片、文字如涉及作品版權問題,請聯系小編進行處理。
推薦閱讀:
DigiKey 2025慕尼黑上海電子展:見證一場全球技術與本土創新相結合的科技盛宴





