- 雙管正激電路的工作原理及優點
- 應用于雙管正激電路的MAX5051的功能
- MAX5051電源控制器應用于雙管正激電路
引言
高功率密度、高效率以及小外型尺寸已成為當前模塊電源技術發展的關鍵驅動力。雙管正激電路是實現這些要求的實用電路之一,被廣泛應用在中、高功率電源設計中。本文簡要介紹了雙管正激電路的工作原理及優點,同時詳細介紹了應用于雙管正激電路的PWM控制器MAX5051的功能和具體的實驗結果。
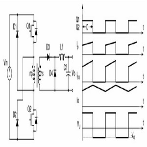
雙管正激變換器的原理圖與波形如圖1所示。雙管正激變換器的工作可以分為三個過程:能量轉移階段、變壓器磁復位階段和死區階段。在能量轉移階段,原邊的兩個開關都導通,能量從輸入端向輸出端轉移。在變壓器磁復位階段,原邊的兩個二極管都導通,使變壓器繞組承受反相輸入電壓,從而實現變壓器磁復位。當變壓器完全復位后,變換器工作在死區階段,即原邊無電流、副邊續流。在復位過程中,雙管正激開關MOSFET被箝位在輸入電壓。MOSFET上的電壓應力小于單管正激,至少低一倍。這樣我們可選取具有低導通電阻Rdson的低電壓MOSFET,以獲得低損耗。

圖1 雙管正激變換器原理圖與波形
雙管正激電路運行非常穩定,受到設計人員的廣泛關注,并給予了較高評價。由于原邊的兩個開關不是使用圖騰柱結構,它們同時導通,這就解決了擊穿問題。對于半橋和全橋變換器來說,原邊開關使用圖騰柱結構,一旦由于電磁噪音或電磁輻射引起兩個開關同時導通,電路將受到破壞性的中斷。這個問題對于受高能量輻射影響的電源來說至關重要,而雙管正激電路可以避免這個問題。
基于MAX5051的參考設計
MAX5051是一款鉗位式、雙開關電源控制器IC。這款控制芯片可應用于正激或反激結構,輸入電壓范圍是11V至76V。它針對各種可能的故障提供全面的保護機制,實現高度可靠的電源。當與副邊同步整流器配合工作時,電源效率很容易達到92% (+3.3V輸出電源,工作于48V總線);集成的高側和低側柵極驅動器可為兩個外部N溝道MOSFET提供峰值在2A以上的柵極驅動電流;低啟動電流降低了啟動電阻上的功率損耗;帶有前饋控制的電壓模式控制方案可提供優異的線路抑制,同時又避免了傳統的電流模式控制方案的缺陷。
MAX5051電源控制器可以在主側或副側并聯工作,必要時可用來設計冗余電源系統。當主側并聯工作時,通過專用引腳可同時喚醒或關斷所有并聯單元,以防止在啟動或故障情況下發生電流失衡。MAX5051通過產生一路超前信號用于驅動副邊同步MOSFET,以避免副邊同步整流管和續流管的同時導通。利用特有的主側同步輸入/輸出引腳,可使兩個主側電路相差180°工作,增加輸出功率并降低輸入紋波電流。
Maxim電源部制作了一款基于MAX5051的隔離電源模塊,圖2是詳細的電氣原理圖。我們將該電源模塊與市場上流行的電流模式同步整流推挽電源模塊(這里我們稱其為非定制模塊)進行了比較,從所測試的效率曲線(圖3)可以看出,基于MAX5051的模塊效率明顯提高。輕載時,比如1A輸出負載,MAX5051模塊電源的效率大于62%,而非定制模塊的效率則小于58%。在輸出功率為半載時(7.5A),MAX5051模塊效率為92%,非定制模塊效率是88%。滿功率負載時,MAX5051模塊電源的效率仍比非定制模塊效率高出4%。從效率曲線對比,可以得出雙管正激電路能夠更好的滿足模塊電源高效率的要求。

圖2 電氣原理圖

圖3 正常輸出電壓下效率與負載電流的關系曲線(包括最小、正常和最大輸入電壓情況,25°C)
另外,MAX5051控制器采用了帶有輸入前饋的電壓控制模式,可以在一個周期內克服輸入電源的擾動,工作原理與電流模式控制電路相同。帶有前饋的電壓模式提供了一些電流模式所不具有的顯著優點:
- 無最小負載要求
- 干凈的調整斜率和更高的幅值提高了穩定性
- 光耦穩定的工作電流使環路帶寬最大
- 可預測的環路動態簡化了控制環路的設計。
從動態響應的圖形對比中可以看到,無論是輸出過沖,還是恢復時間,MAX5051模塊都具有明顯的優勢。

圖4 動態響應對比圖
結語
從電路拓撲分析和具體的實驗中可以看到,采用MAX5051的雙管正激電路可滿足現代模塊電源高功率密度、高效率以及小外型尺寸的要求,并且通過采用帶有前饋的電壓模式控制,避免了傳統的電流模式控制方案的缺陷,提供了優異的線路抑制。




