一、電動汽車BMS簡介
電池管理系統(BATTERY MANAGEMENT SYSTEM簡稱BMS)是連接車載電力電池和電動汽車的重要紐帶,其主要功能包括:電池物理參數實時監測,電池狀態評估,在線診斷和報警,均衡控制等。為什么電動汽車BMS會興起呢?
電動汽車的動力和儲能電池均是采用電池組的形式,但基于現有的制造水平,單體電池之間尚不能達到性能的完全一致,在通過串并聯方式組成大功率、大容量動力電池組后,苛刻的使用條件也易誘發局部偏差,從而引發安全問題。為對電池組進行合理有效的管理控制,BMS性能至關重要。

圖1 BMS產品圖片
二、BMS的工作原理
BMS與電動汽車的動力電池緊密結合在一起,那么BMS是如何保證對電池組進行合理有效的管理控制呢?它具體的工作如下。
l監測電池的整體情況,通過傳感器對電池的電壓、電流、溫度進行實時檢測;
l管理電池的工作狀態,對電池進行漏電檢測、熱管理、電池均衡管理、報警提醒,計算剩余容量(SOC)、放電功率,報告電池劣化程度(SOH)和剩余容量(SOC)狀態;
CAN總線接口與車載總控制器、電機控制器、能量控制系統、車載顯示系統等進行實時通信,最終保證對電池組進行合理有效的管理控制,具體的結構框圖如圖2所示。
圖2 BMS架構框圖
三、BMS應具備的三要素
那么要如何保證BMS正常工作呢?讓我們從BMS在汽車內部的工作環境著手吧。
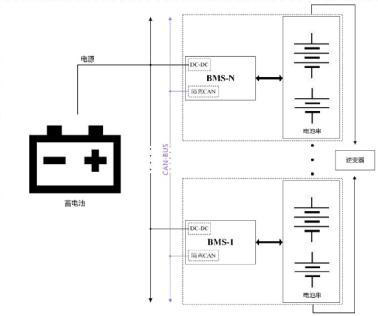
首先,應避免BMS模塊之間的相互干擾,電源輸入前端使用隔離DC-DC電源。一臺車里有很多BMS模塊,每個模塊都集中從蓄電池里取電,具體電動汽車內部框圖如圖3所示。為保證每個模塊供電不會相互串擾,同時保證BMS單個模塊的獨立性,因此需要在BMS的電源輸入前端使用隔離DC-DC電源,并且輸入電壓范圍應較寬。

圖3 電動汽車內部BMS框圖
其次,應保證BMS能夠與電動汽車進行實時通信,通信前端做CAN隔離處理。汽車內部的通信環境較為惡劣,存在著浪涌、脈沖等干擾信號,為保證正常通信,同樣基于系統間低耦合性和配合電源安規的考慮,CAN端也需要做隔離處理,并且對防護等級和傳輸速率要求較高。
最后,應保障駕駛人員的人身安全,需要較高等級的電源隔離防護。由于多個電池串聯后,電池組的電壓非常高,一般可達500VDC左右,是屬于對人體有安全威脅的電壓,為保障蓄電池低壓側的安全,一般也會用隔離DC-DC隔開高壓和低壓側。
四、BMS電源與信號隔離推薦方案
由于BMS的安全性考慮,系統之間需要進行電源和信號隔離,BMS主板供電來源于電池組。一般是12V(也有24V),采用較多的是2W/3W隔離DC-DC電源模塊,如:ZY2405WHB1CS-2W,ZY2405WRBDD-3W。部分功率要求高的場合也會選用6W隔離DC-DC電源模塊,如:E2412URAD-6W。對于EMI要求高的場合,可以在隔離DC-DC電源模塊輸入端加π型濾波電路,具體的產品實物如圖4所示。
圖4 ZLG致遠電子隔離DC-DC電源模塊
考慮到BMS的安全性,多采用CAN通信,相應的在防干擾,隔離等方面就要花費很大心思。如下圖5所示,ZLG致遠電子專門的CTM系列隔離CAN收發器,隔離電壓達到3500VDC(如:CTM1051KT/CTM1051KAT),工作溫度-40℃~+85℃,符合“ISO 11898-2”標準,標準DIP-8 引腳封裝,超小體積,在BMS、充電樁、電動汽車等領域被廣泛應用。
圖5 ZLG致遠電子CTM1051K(A)T實物圖
推薦閱讀:
Maxim串行器和解串器技術滿足未來ADAS和信息娛樂系統要求



