【導讀】單相離線式不間斷電源只是備援性質的UPS,市電直接供電給用電設備再為電池充電,一旦市電供電品質不穩或停電時,市電的回路會自動切斷,電池的直流電會被轉換成交流電接手供電的任務,直到市電恢復正常。UPS只有在市電停電了才會介入供電,不過從直流電轉換的交流電是方波,只限于供電給電容型負載,如電腦和監視器等。
一、前言
單相離線式不間斷電源只是備援性質的UPS,市電直接供電給用電設備再為電池充電,一旦市電供電品質不穩或停電時,市電的回路會自動切斷,電池的直流電會被轉換成交流電接手供電的任務,直到市電恢復正常。UPS只有在市電停電了才會介入供電,不過從直流電轉換的交流電是方波,只限于供電給電容型負載,如電腦和監視器等。
二、產品應用及工作原理
單相離線式不間斷電源又稱為備用不間斷電源,主要應用單臺計算機系統的斷電保護。
單相離線式不間斷電源的工作原理是:
1、市電正常時則市電經穩壓后直接輸出負載,同時經整流器將交流電轉化為直流電給電池充電,此時逆變器不工作。
2、當市電故障時,由電池提供電力,經逆變器輸出負載。
3、結構簡單、價格便宜、體積小、噪聲低、效率高。
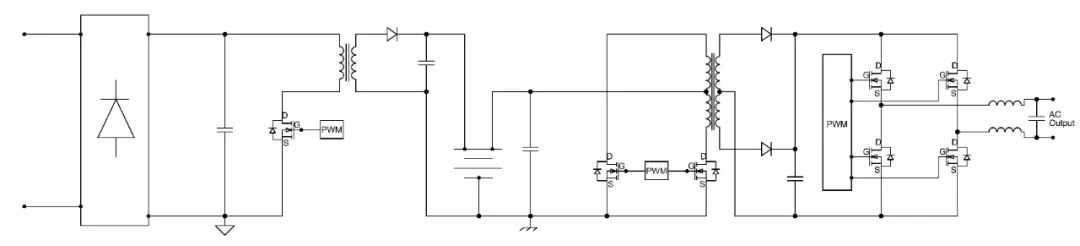
三、典型應用拓撲圖
四、典型應用線路及選型
如上圖所示AC-DC部分是用反激架構可推薦使用瑞森半導體650V系列的高壓MOS,選型如下:
DC-DC/step up部分是用推挽架構可推薦使用瑞森半導體SGT系列的低壓MOS,選型如下:
DC-AC部分是逆變線路是將電池直流電轉換成交流電以供計算機使用,可推薦使用瑞森半導體500V系列的高壓MOS,選型如下:
免責聲明:本文為轉載文章,轉載此文目的在于傳遞更多信息,版權歸原作者所有。本文所用視頻、圖片、文字如涉及作品版權問題,請聯系小編進行處理。
推薦閱讀:
國際電子電路(深圳)展覽會(HKPCA Show)12月6-8日深圳舉辦
魏少軍:國產替代不是低水平代名詞,杜絕芯片業“精神分裂式”內卷





